一、概述
1、产品特点
KHT140 绞车后备保护装置(以下简称装置)是目前国内较完备的多功能提升机后备保护设备,它是根据《煤矿安全规程》的有关规定,吸收同类产品的精华,充分考虑我国现有矿山井下提升机和现场人员技术力量的基础上设计的,利用可编程单片机技术对矿用提升机的运行状态进行连续快速的检测,并将测量的绞车的瞬时参数进行精确处理,进而对提升机的行程、运行速度、深度指示器的运行状况进行连续的监控,并且具有提升信号显示、寄存、提升勾数累计,保护装置安全,各种参数和指示显示准确,操作简单等特点。
2、用途及适用范围
本装置对提升绞车的超速、深度指示器失效、过卷、自动减速、限速保护、卡罐、方向闭锁等进行保护和控制。
3、规格型号
3.1 组成见附录A KHT140矿用提升机综合后备保护装置配置表。
3.2 规格
装置的型号为KHT140,其组成意义如下:
4、环境条件
A、环境温度:0~40℃;
B、相对湿度不大于95%;
C、大气压力:80~106KPa;
D、无显著振动和冲击的地方;
E、煤矿井下有甲烷、煤尘爆炸性混合物,但无破坏绝缘层的腐蚀性气体场合;
F、环境噪声:≤75dB。
5、对环境及能源的影响
本装置耗电量小,对周围环境无污染和破坏。
6、安全
本装置应在说明书规定的适用条件下使用,并按照说明书的要求进行安装,调试,操作检修和维护。
二、技术特性
1、主要功能
1.1 位置显示:0~5000.0m。
1.2 速度显示:0~9.99m/s。
1.3 提升信号具有音响提示,提升信号显示,并寄存显示前四次。
1.4 提升勾数显示0~999并能人工清零。
1.5 超速保护:当到达等速段后速度连续超最大提升速度的15%时,安全保护。
1.6 自动减速:当到达减速点时,自动投入减速。
1.7 减速段超速保护:当减速段速度超过设定极限速度时,安全保护。
1.8 爬行段限速保护:爬行段速度超过2m/s时,安全保护。
1.9 深度指示器失效保护:当深度指示器失效时报警,并在爬行段安全保护。
1.10过卷保护:当提升容器超过正常停车位置0.5m时,安全保护。
1.11卡罐保护:当提升容器不能顺利通过停车位置时,安全保护(斜井无此功能)。
1.12 井口校正: 绞车后备保护装置为了更好准确的停车,在井口附近对提升容器在井筒中的位置进行校正。
1.13 方向闭锁:根据提升信号对绞车的运行方向进行闭锁。
1.14 自检功能:对保护装置的输出功能和参数能够进行自检。
1.15脱机报警功能:当脱机工作时,报警器发出报警声。
2 技术参数
2.1 KHT140-Z矿用提升机综合后备保护装置主机基本参数
(1) 工作电压:DC12V,1.3A,两组;两回路之间不共地;
(2)二路转速信号输入;
(3)一路深度指示器失效信号输入;
(4)二路校正信号(过卷信号)输入;
(5)二路减速信号输入;
(6)一路打点信号输入;
(7)10种状态指示灯;
(8)具有速度显示、深度显示、信号显示、勾数显示;
(9)具有报警提示及各种报警有所区别,声音响度不小于85dB。
2.2 GSH3000矿用本质安全型转速传感器基本参数
(1)电源电压:DC12V;
(2)工作电流:≤60mA;
(3) 测速范围:0~3000r/min;
(4) 动作距离:≤9mm;复位距离:≥13mm。
2.3 KDW127/12矿用隔爆兼本安型电源主要参数
(1)供电电源:交流AC127V(75%~110%)。
(2)输出电压、电流:两路DC12V、1.3A。
2.4 KXJ1/127矿用隔爆兼本安型控制箱主要参数
⑴ 一路打点信号输入AC127V(允许波动范围95~140V)
⑵ 四路控制输出(上行、下行、减速、制动)5A/380V
3 KHT140-Z矿用提升机后综合备保护装置主机的关联设备(见附录A)
三、结构与工作原理
1、总体结构
1.1 KXJ1/127矿用隔爆兼本安型控制箱,KDW127/12矿用隔爆兼本安型电源,GSH3000矿用本质安全型转速传感器的结构参见各自的说明书。
1.2 主机的结构
主机由机箱,显示板,主板等组成。
2、工作原理和功能
工作原理:KDW127/12矿用隔爆兼本安型电源给KHT140-Z主机供电;KXJ1/127矿用隔爆兼本安型控制箱将绞车的打点信号转换输出到KHT140矿用提升机综合后备保护装置主机;
KHT140矿用提升机综合后备保护装置主机输出的制动、减速、上行、下行信号通过KXJ1/127矿用隔爆兼本安型控制箱转换输出到绞车的安全回路、减速、上行、下行接触器从而达到控制的作用。原理框图见附录B
2.1 位置速度显示:当提升机转动时,安装在电机轴侧的速度传感器将磁信号转化为两路电信号脉冲,输入到主机,主机根据脉冲信号判断是提升或下放,再从而正确的显示井深(0~井深);根据每秒的行程显示提升容器的速度。
2.2 提升信号显示:根据打点次数显示当次的信号并移位寄存前四次的信号。
2.3 勾数显示:装置的勾数记录是根据提升容量通过减速开关的次数来计数(正向计数,反向不计数)来累计提升勾数0~999。
2.4 超速保护
2.4.1 在提升机运行的等速段,当运行速度连续超过设置运行速度的15%时,主机便发出信号,等速超速灯指示、制动指示伴有报警声,并输出控制信号给控制箱内的制动继电器,由控制箱完成对提升机的安全制动保护。
2.4.2在提升机运行的减速段,当运行速度超过设置的极限值时,主机便发出信号,减速超速灯指示、制动指示伴有报警声,并输出控制信号给控制箱实施安全制动保护。
2.4.3 提升机运行的爬行段,当运行速度超过2m/s时,主机便发出信号,爬行超速指示、制动指示伴有报警声,并输出控制信号给控制箱实施安全制动保护。
2.5 自动减速,当提升容器到达减速位置时发出减速信号,减速指示伴有声音提示,并发出控制信号给控制箱内的减速继电器,由控制箱来完成对提升机的自动减速控制。
2.6深度指示器失效保护,在提升机正常运行,提升的深度指示器不能正常工作,主机在检测到速度信号的同时,检测不到深度指示器传感器的信号,这时主机发出信号,深失指示并伴有声音提示,当到达爬行段深失还未恢复正常时,主机发出信号,制动指示伴有报警声,并输出控制信号给控制箱,由控制箱完成安全制动保护。
2.7 过卷保护,当提升容器超过正常停车0.5m,主机发出信号,过卷指示、制动指示伴有报警声,并输出控制信号给控制箱,由控制箱完成安全制动保护。
2.8 方向闭锁,主机对提升信号的次数进行处理,2、4为上行,3、5为下行。并由控制箱完成对其进行方向闭锁,并指示运行方向。
2.9 卡箕斗保护,当提升容器不能顺利通过停车位置,由主机检测行程和井口校正传感器的工作状态来判断,从而发出控制信号,卡罐指示、制动指示并伴有报警声,并发出控制信号给控制箱,由控制箱完成安全制动保护(斜井无此功能)。
2.10 井口校正,由于提升容器在井筒中运行或多或少存在一定的误差,为了提升机能够更准确在停车位置停车,在井口附近安装校正传感器,当提升容器经过校正传感器时,井深被校正为设定值。
2.11自检功能,为了保证装置的良好运转,主机可以对自身的设置参数、各种指示及其输出状态进行自检。
2.12声光信号
(1)光信号:
主机具有光信号指示,显示方式为数码管和发光二极管,可见距离为10m
(2)声信号
主机声响信号中的安全制动报警信号与其他报警信号有区别,声音响度不小于85dB。
2.13脱机报警:当主机后面板上的开关拔至“脱机”时,安全回路方向闭锁等功能全部甩开,并发出报警声。
四、主机外形尺寸及重量
1. 外形尺寸(见附录C外形尺寸图)
长×宽×高=390mm×335mm×220mm
2. 重量:约9.5Kg
五、安装与调整
1、主机安装
安装位置:主机安放在提升机操作台的一侧,既要方便司机观察盘面信号又不妨碍司机观察提升机的视线。
2、传感器的安装
2.1.1 速度传感器的安装
速度传感器由GSH3000矿用本质安全型转速传感器和磁钢组成,GSH3000矿用本质安全型转速传感器安装于提升机电机输出轴旁;永磁铁用改性丙烯酸胶粘剂贴于电机的输出轴上,贴前需用锉刀、砂布将要贴的地方打磨、清洗干净,再配制强力胶粘上磁铁。粘贴磁铁时一定要使磁铁的S极向外(即传感器的作用面),磁铁一定要粘均匀(附录D1)。
2.1.2 GSH3000矿用本质安全型转速传感器装在用角铁做的支架上,支架安装在转轴适当的位置,使其传感器的作用面与磁钢作用面相对,且距磁铁表面5mm处。
2.1.3 磁钢个数用公式计算:N=(10×π×D)/m(其中D-绞车滚筒直径,m-绞车减速箱变速比,N-取大于偶数)。
2.2 井口校正传感器的安装(附录D2)
井口校正传感器由GSH3000矿用本质安全型转速传感器和长条磁钢组成,安装在深度指示器上。根据现场情况调整GSH3000矿用本质安全型转速传感器的位置。
2.3 深度失效传感器的安装(附录D3)。
深度失效传感器由GSH3000矿用本质安全型转速传感器、磁钢、支架组成。在牌坊式或园盘式深度指示器的传动部分的某一适合位置,然后将4-6块磁铁粘贴于园盘(或传动杆丝)上,磁铁的作用面(S极)向外,最后将GSH3000矿用本质安全型转速传感器探头对准磁铁固定好。
2.4 减速传感器的安装(附录D4)
减速传感器由GSH3000矿用本质安全型转速传感器和长条磁钢组成,安装在深度指示器上。根据现场情况调整GSH3000矿用本质安全型转速传感器的位置。
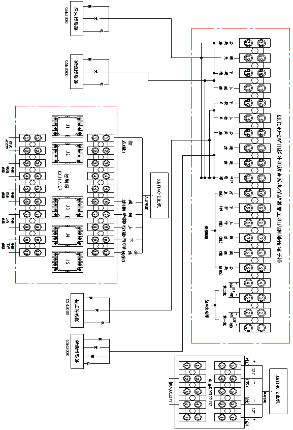
3、装置主机与本安电源、控制箱、井口校正传感器、减速传感器、速度传感器、深度失效传感器的连接(参见附录E)
按照接线图接好线,检查无误后方可通电。(调试前先不要接控制回路)
4、调试
4.1 参数设置(前面板示意图参见附录F)
绞车后备保护装置接通电源,同时按“确认”键和“复位”,先松开“复位”再松开“确认”键,进入设置状态。勾数显示窗显示参数代码;速度参数在速度显示窗显示,其余参数再深度显示窗显示;设置某参数时对应显示窗有一位数码管闪烁。具体设置方法参见附录G1。
4.2 装置设置完毕后,先不接入提升机的控制回路,开车运行,根据实际情况进一步调整参数,装置调试完毕正常运行后再投入回路。
六 使用与操作
1 开机
正常开机应在井口正常停车位置。
2 自检
每个班应对装置进行自检,提升机在正常停车位置,按 “自检”,装置进行自检各种参数和指示。
3 勾数清零
每个班应对装置进行勾数清零,提升机在正常停车位置,长按“清零” 键勾数清零。
4 保护解除
装置保护后,按“解除”键,使装置恢复到保护前的状态。
5 复位
按“复位”使整机复位。
七 故障分析与排除(见附录G2)
八 维护与保养
1、定期清理主机内部的灰尘。
2、定期测量本安电源的本安参数,如有不符合或损坏,必须有厂家或专业人员维修。
3、本安电源和控制箱的隔爆面必须定期擦抹防锈油,各种紧固件应齐全牢固。
4、定期更换转速传感器的作用磁钢,(最好一年更换一次)。
5、定期测量井口校正传感器和减速传感器(最好一月测量一次)。
6、提升运行情况改变时,应及时改变装置的设置参数,更换保险丝时,要更换相同型号的。
安全警告:检修前必须先断电,维修时不得改变本安电路和与本安有关元器件的参数。
九、运输与贮存
1、运输
包装后的装置在避免日晒、雨雪直接淋袭,避免跌落、碰撞的条件下,可适用于水运、陆运和空运等各种运输方式。
2、贮存
包装后的装置允许在环境温度-10~+60℃,相对湿度不大于95%,无腐蚀性气体的仓库内存放,贮存期限12个月,超过期限应按出厂检验内容进行检验。
十、开箱及检查
1、使用说明书 1本
2、防爆合格证 1份
3、煤矿产品准用证 1份
4、装箱单 1份
5、合格证 1份
注意开箱时应注意不得损坏设备,开箱后应对照装箱单核对箱内部件是否相符,如有问题,请及时与厂家或经销商联系。
十一、售后服务
装置自销售之日起,产品出现质量问题,三个月内包换,一年内包修。
附录A
A.1 KHT140矿用提升机综合后备保护装置配置表
| 序号 | 名 称 | 型 号 |
生产 单位 |
安装 地点 |
| 1 | 主机 | KHT140-Z | 泰安市利祥电气有限公司 | 绞车房 |
| 2 | 矿用本质安全型转速传感器(校正传感器)及25*8*3.5磁钢 |
GSH3000 |
泰安市利祥电气有限公司 | 深度指示器 |
| 3 | 矿用本质安全型转速传感器(减速传感器)及25*8*3.5磁钢 |
GSH3000 | 泰安市利祥电气有限公司 | 深度指示器 |
| 4 | 矿用本质安全型转速传感器(速度传感器)及φ15*3.5磁钢 | GSH3000 | 泰安市利祥电气有限公司 | 电机输出轴上 |
| 5 | 矿用本质安全型转速传感器(深度失效传感器)及φ6*3.5磁钢 | GSH3000 | 泰安市利祥电气有限公司 | 深度指示器转动部分 |
| 6 | 矿用隔爆兼本安型电源 | KDW127/12 | 泰安市利祥电气有限公司 | 绞车房 |
| 7 | 隔爆兼本安型控制箱 | KXJ1/127 | 泰安市利祥电气有限公司 | 绞车房 |
A.2 KHT140-Z矿用提升机综合后备保护装置主机关联设备
| 产品型号 | 产品名称 | 生产厂家 | 安装地点 |
| KDW127/12 | 矿用隔爆兼本安型电源 | 泰安市利祥电气有限公司 | 井下绞车房 |
| KXJ1/127 | 矿用隔爆兼本安型控制箱 | 泰安市利祥电气有限公司 | 井下绞车房 |
附录B
原理框图
附录C
外形尺寸图

附录D传感器安装图
D1矿用本质安全型转速传感器( 速度传感器)安装图
D2矿用本质安全型转速传感器(井口校正传感器)安装图
D3矿用本质安全型转速传感器(深度失效传感器)安装图
D4矿用本质安全型转速传感器(减速传感器)的安装
附录E
装置主机与本安电源、控制箱、校正传感器、
减速传感器、转速传感器、深度指示器失效传感器的连接
附录F
前面板示意图

附录G
G1参数设置
| 序号 | 参数代码 | 参数名称 | 设置方法 |
| 1 | P01 | 井深 |
1、用“移位”键和“调整”键改变参数,用“确认”键输入参数,并进入下一个参数设置。 2、按“复位”键,返回工作状态。 |
| 2 | P02 | 正向等速段开始井深 | |
| 3 | P03 | 反向等速段开始井深 | |
| 4 | P04 | 正向减速段开始井深 | |
| 5 | P05 | 反向减速段开始井深 | |
| 6 | P06 | 正向爬行段开始井深 | |
| 7 | P07 | 反向爬行段开始井深 | |
| 8 | P08 | 等速度最大速度值 | |
| 9 | P09 | 减速段极限速度值 | |
| 10 | P10 | 正向井口校正值 | |
| 11 | P11 | 反向井口校正值 | |
| 12 | P12 | 正向过卷值 | |
| 13 | P13 | 反向过卷值 | |
| 14 | P14 | 数据点数 |
1、当代码出现P14时,按“清零”信号,显示窗变为00000。提升机开车(从井口到井底)记录全过程的数据点,停车后按“确认”键完成输入;或用“移位”键和“调整”键改变参数, 停车后按“确认”键完成输入,并进入下一个参数设置 2、按“复位”键,返回工作状态。 |
| 15 | P15 | 单位数据点长度 |
1、用“移位”键和“调整”键改变参数,用“确认”键输入参数,并进入下一个参数设置。 2、按“复位”键,返回工作状态。 |
| P16 | 卡罐长度值 | ||
| P17 | 减速度极限速度2 | ||
| P18 | 减速度极限速度3 | ||
| P19 | 减速度极限速度4 | ||
| P20 | 减速度极限速度5 | ||
| P21 | 第二减速段长度 | ||
| P22 | 第三减速段长度 | ||
| P23 | 第四减速度长度 | ||
| P24 | 第五减速度长度 |
G2故障分析与排除
| 序号 | 故障现象 | 故障原因 | 排除方法 |
| 1 | 面板无显示 | 本安电源坏 | 维修本安电源或更换本安电源 |
| 2 | 无速度深度显示 | 转速传感器坏 | 更换转速传感器 |
| 3 | 深度指示器正常,出现深失传感器指示失效 | 深度指示器失效传感器坏 | 更换传感器 |
| 4 | 出现过卷实际未过卷 | 过卷值设置不当 | 重新设置 |
| 5 | 到达井口校正点不校正 | 校正传感器坏 | 更换传感器 |
| 6 | 到达减速点不减速 | 减速传感器坏 | 更换传感器 |